
性能特点:
1、机械驱动隔膜;
2、完全不泄漏,操作简单;
3、可输送各种易燃、易爆、剧毒、放射性、强腐蚀性介质;
4、zui大流量1183L/hzui高压力1.0Mpa。
选型代码:

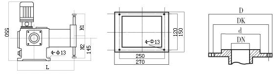
技术参数:
|
型号规格 |
流量(L/h) |
压力(Mpa) |
安装尺寸(mm) |
||||||
|
DN |
D |
K |
d |
H1 |
H2 |
L |
|||
|
JX-JM-10/2.0 |
10 |
2.0 |
7 |
|
|
|
122 |
122 |
|
|
JX-JM-20/2.0 |
20 |
2.0 |
|||||||
|
JX-JM-50/2.0 |
50 |
2.0 |
|||||||
|
JX-JM-125/1.0 |
125 |
1.0 |
|||||||
|
JX-JM-150/1.0 |
150 |
1.0 |
|||||||
|
JX-JM-250/0.5 |
250 |
0.5 |
12 |
95 |
65 |
46 |
147 |
147 |
|
|
JX-JM-600/0.5 |
600 |
0.5 |
|||||||
|
JX-JM-800/0.2 |
800 |
0.2 |
|||||||
|
JX-JM-1183/0.2 |
1183 |
0.2 |
|||||||
电机功率:0.37KW-0.55KW 转速:1400r/min
安装尺寸(mm):
